Инженерная компьютерная графика

Преподаватель:
Трубский Андрей Владимирович


Теория



Практические


Теория 6 (Сборка)

Задание 1 (Выпускной коллектор)

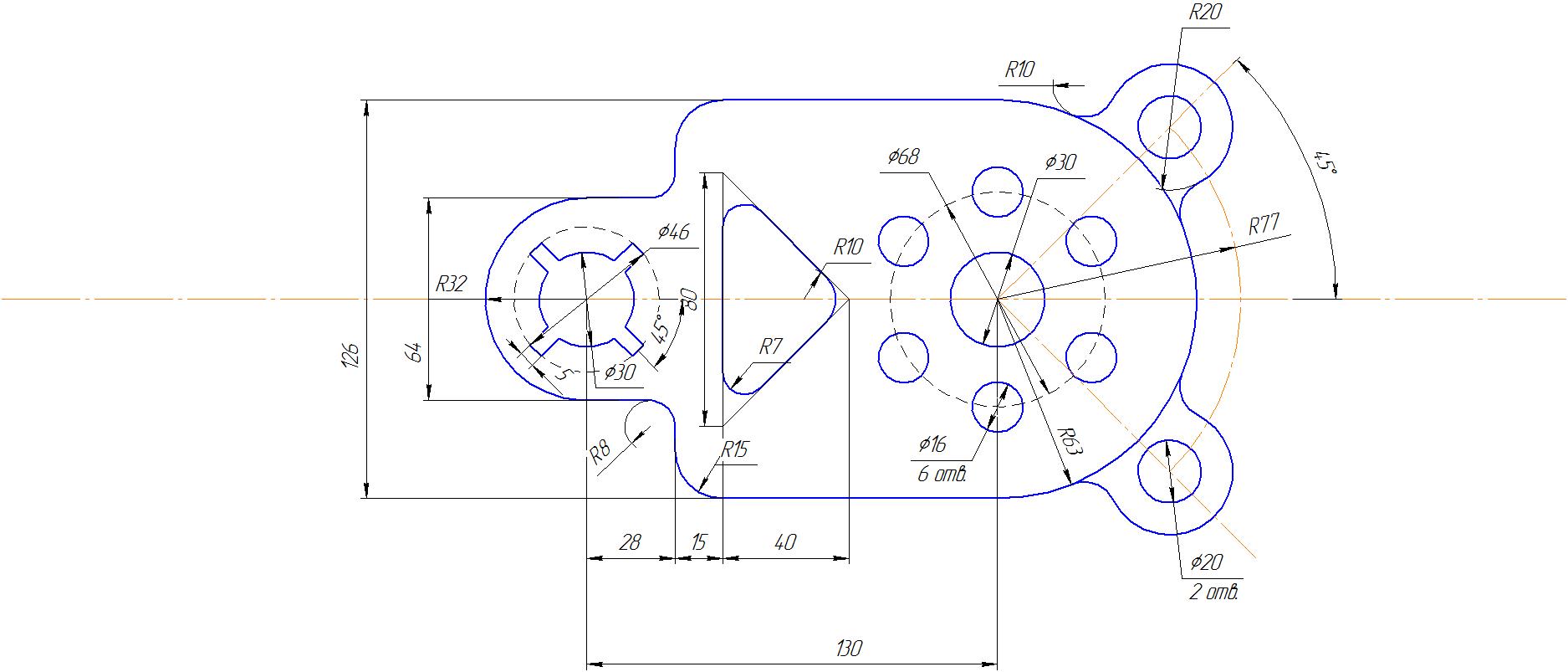
Задание 2 (Корпус)

В Kompas открыть:

Далее выбрать "Чертеж детали Корпус":

На 1 странице есть чертеж, по этому чертежу построить 3D-модель детали "Корпус".

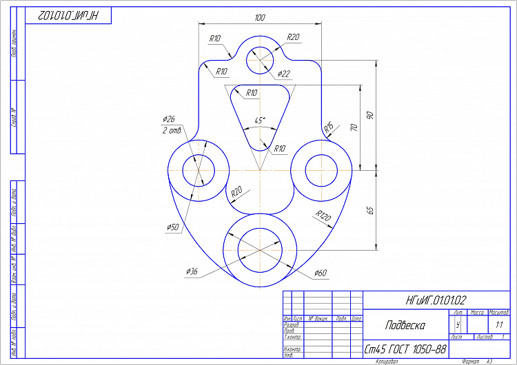
Задание 3 (Подвеска)

Задание 4 (Пластина)

Задание 5 (Фланец)

Задание 6 (Сборка)



Видео как делать сборку: ПОСМОТРЕТЬ
Задание: создать три детали средней сложности (не кружок с квадратом имеется в виду) и сделать свою сборку. Детали придумайте сами, это может быть все что угодно, не ограничивайте себя)
Выполненное задание присылайте в ВК(4 файла, или скриншоты у кого 18 компас)
Назад